


Трансформатор струму з шиною Т-0,66-1 1000/5 кл.т. 0.5, (Мегомметр, Умань)
Опис
Характеристики
Інформація для замовлення
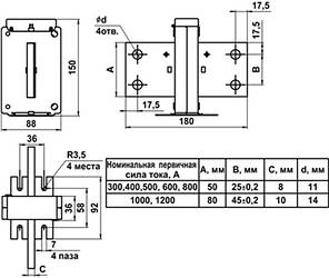
Трансформатор струму (вимірювальний) із шиною Т-0,66-1 1000/5 кл, точн. 0.5, Мегомметр (Умань) (у комплекті алюмінієва шина, болти).
Міжповірочний інтервал: трансформаторів Т-0,66-1 — 5 років
| Основні | |
|---|---|
| Країна виробник | Україна |
| Напруга | 0.66 кВ |
| Конструктивне виконання | Шина |
| Номінальний струм | 800 А |
| Коефіцієнт трансформації | 5 |
| Спосіб монтажу | На лапах |
| Частота струму | 50 Гц |
| Міжповірочний інтервал, років | |
| Міжповірочний інтервал, років | 5 |
| Користувальницькі характеристики | |
| Виробник | Мегомметр, Умань |
| Тип монтажу | Навісний |
- Ціна: 2 050 ₴