


Трансформатор струму без шини ТШ-0,66-1 1200/5 кл.т. 0.5S, (Мегомметр, Умань)
Опис
Характеристики
Інформація для замовлення
Трансформатор струму (вимірювальний) без шини ТШ-0,66-1 1200/5 кл, точн. 0.5S, Мегомметр (Умань).
Міжповірочний інтервал: трансформаторів ТШ-0,66-1 — 5 років
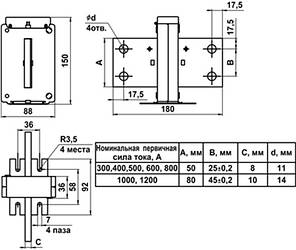
| Основні | |
|---|---|
| Країна виробник | Україна |
| Напруга | 0.66 кВ |
| Конструктивне виконання | Шина |
| Номінальний струм | 800 А |
| Коефіцієнт трансформації | 5 |
| Спосіб монтажу | На лапах |
| Частота струму | 50 Гц |
| Міжповірочний інтервал, років | |
| Міжповірочний інтервал, років | 5 |
| Користувальницькі характеристики | |
| Виробник | Мегомметр, Умань |
| Тип монтажу | Навісний |
- Ціна: 1 622 ₴